Features:
Size 52mm to 210mm
Body 304 Stainless Steel
End Caps 304 Stainless Steel
Fixings 316 Stainless Steel
Actuation Spring Return Pneumatic
These Spring Return Pneumatic Rack & Pinion Actuators are made from 304 Stainless Steel and are designed for heavy duty applications. Ideal for corrosive environments or areas where traditional aluminium actuators can't be used such as underground mining. They feature a visual indicator, adjustable limit stops and a namur interface.
| Input Air to Spring (Bar), Torque in NM | ||||||||
|---|---|---|---|---|---|---|---|---|
| Air Pressure (Bar) | 6 | 7 | 8 | Spring Return Output | ||||
| 0° | 90° | 0° | 90° | 0° | 90° | 0° | 90° | |
| Model | Start | End | Start | End | Start | End | End | Start |
| SSR52 | 13.8 | 9.1 | 17.8 | 12.2 | 21.8 | 17.1 | 10.2 | 14.8 |
| SSR63 | 27.3 | 18.6 | 34.6 | 25.9 | 41.9 | 33.3 | 16.4 | 25 |
| SSR83 | 56.1 | 38.9 | 71.7 | 54.5 | 87.4 | 70.2 | 38 | 55.2 |
| SSR105 | 122.5 | 80.6 | 155.5 | 113.6 | 188.6 | 146.7 | 75.9 | 118.1 |
| SSR125 | 176 | 113 | 226 | 163 | 276 | 213 | 125 | 188 |
| SSR140 | 307 | 203 | 392 | 289 | 478 | 374 | 206 | 310 |
| SSR160 | 463 | 298 | 596 | 431 | 729 | 564 | 335 | 500 |
| SSR210 | 936 | 684 | 1202 | 950 | 1468 | 1216 | 660 | 912 |

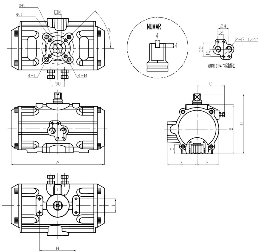
| Model | ISO5211 | A | B | C | D | E | F | G | H | I | N | J | K | L | M | Air Connection |
|---|---|---|---|---|---|---|---|---|---|---|---|---|---|---|---|---|
| SSR52 | F03-F05 | 146 | 72 | 30 | 92 | 47 | 32 | 14 | 80 | 30 | 11 | 50 | 36 | M6*10 | M5*7.5 | 1/4" |
| SSR63 | F05-F07 | 173 | 88 | 36 | 108 | 54 | 38 | 18 | 80 | 30 | 14 | 70 | 50 | M8*13 | M6*10 | 1/4" |
| SSR83 | F05-F07 | 204 | 108 | 48 | 125 | 65.5 | 48 | 21 | 80 | 30 | 17 | 70 | 50 | M8*13 | M6*10 | 1/4" |
| SSR105 | F07-F10 | 270 | 133 | 50 | 153 | 77 | 60 | 26 | 80 | 30 | 22 | 102 | 70 | M10*16 | M8*13 | 1/4" |
| SSR125 | F07-F10 | 302 | 155 | 58 | 175 | 87 | 69.5 | 27.5 | 80 | 30 | 22 | 102 | 70 | M10*16 | M8*13 | 1/4" |
| SSR140 | F10-F12 | 394 | 172 | 69 | 192 | 95.5 | 77 | 32 | 80 | 30 | 27 | 125 | 102 | M12*20 | M10*16 | 1/4" |
| SSR160 | F10-F12 | 456 | 198 | 75 | 218 | 106 | 87 | 34 | 80 | 30 | 27 | 125 | 102 | M12*20 | M10*16 | 1/4" |
| SSR210 | F10-F14 | 568 | 257 | 90 | 287 | 133 | 113 | 40 | 130 | 30 | 36 | 140 | M16*24 | 1/4" |
All dimensions in mm unless shown otherwise.

| Part Number | Quantity | Part Name | Material |
|---|---|---|---|
| 1 | 1 | Cylinder | CF8 |
| 2 | 1 | Shaft | 304 Stainless Steel |
| 3 | 1 | O-ring | NBR |
| 4 | 1 | Bearing | Nylon 46 |
| 5 | 1 | Adjusting Cam | 304 Stainless Steel |
| 6 | 1 | Thrust Bearing | Nylon 46 |
| 7 | 1 | Bearing | Nylon 46 |
| 8 | 1 | O-ring | NBR |
| 9 | 1 | Bearing | Nylon 46 |
| 10 | 1 | Gasket | 304 Stainless Steel |
| 11 | 1 | Elastic Damping Ring | 304 Stainless Steel |
| 12 | 1 | Position Indicator | PPPP+30%GF |
| 13 | 1 | Screw | PPPP+30%GF |
| 14 | 4 | Pising Indicating Piece | PPPP+30%GF |
| 15 | 2 | Piston | Cast Aluminium |
| 16 | 2 | Guide Bearing | Nylon 46 |
| 17 | 2 | O-ring | NBR |
| 18 | 2 | Guide Ring | Fluorine-carbon composite |
| 19 | 10 | Springs | Alloy Spring Steel |
| 20 | 2 | O-ring | NBR |
| 21 | 1 | Left End Cap | CF8 |
| 22 | 1 | Right End Cap | CF8 |
| 23 | 8 | End Cap Bolt | 304 Stainless Steel |
| 24 | 2 | O-ring | NBR |
| 25 | 2 | Gasket | 304 Stainless Steel |
| 26 | 2 | Nut | 304 Stainless Steel |
| 27 | 2 | Adjusting Bolt | 304 Stainless Steel |
Size 52mm to 210mm
Body 304 Stainless Steel
End Caps 304 Stainless Steel
Fixings 316 Stainless Steel
Actuation Spring Return Pneumatic