SKU: BSV-2EN

Ductile Iron Flanged Bellows Sealed Globe Valve

From $264.00

Inc GST
In Stock
Make an Enquiry
  • PN16 Flanged Stainless Steel Bellow Sealed Globe Valve
  • Metal to Metal Seat
  • 0°C to 300°C Temperature Range
  • Made to API602
  • Tested to API598
  • Non Rising Stem
  • Extremely Low Torque

Ductile Iron Bellow Seated Globe Valve

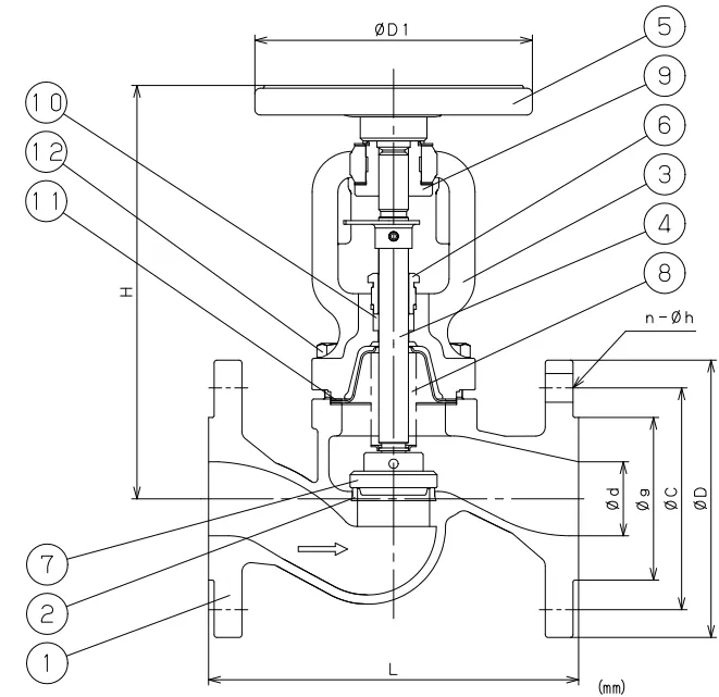
Size d H D1 L D C g n-h Kg
15 15 178 125 130 95 65 46 4-14 3.2
20 20 178 125 150 105 75 56 4-14 3.9
25 25 193 125 160 115 85 65 4-14 4.6
32 32 201 125 180 140 100 76 4-19 6.5
40 40 224 150 200 150 110 84 4-19 9
50 50 228 150 230 165 125 99 4-19 11
65 65 270 180 290 185 145 118 4-19 15.8
80 80 295 200 310 200 160 132 8-19 20.5
100 100 321 250 350 220 180 156 8-19 35
125 125 388 300 400 250 210 184 8-19 49
150 150 448 400 480 285 240 211 8-23 76
200 200 575 500 600 340 295 266 12-23 130.5

All dimensions in mm unless shown otherwise. 

Ductile Iron Bellow Seated Globe Valve

Number Part Material Grade
1 Body Cast Iron FC250
2 Valve Seat Stianless Steel SUS420J1
3 Bonnet Ductile Iron FCD400
4 Spindle Stainless Steel SUS420J1
5 Handwheel Steel Steel
6 Gland Seel SUM24L
7 Valve Stainless Steel SUS420J1
8 Bellows Stainless Steel SUS316Ti
9 Sleeve Steel ASUM24L
10 Gland Packing Graphite Graphite
11 Bonnet Gasket Graphite + CRNiSt Graphite + CRNiSt
12 Hexagon Bolt Steel Steel

Size 15mm to 150mm
Body Ductile Iron
Seat Stainless Steel
Nominal Pressure 16 Bar
Max Temp 300°C

DATA SHEET

Others Also Bought

.
.