SKU: S55D

Stainless Steel Petrochemical Normally Closed Direct Acting Solenoid Valve

From $181.50

Inc GST
In Stock
Make an Enquiry
  • 2 way Direct Acting Normally Closed (power to open) Solenoid Valve
  • 316 Stainless Steel Body, FKM seat
  • -10°C to 100°C Temperature Range
  • Comes with Coil & LED DIN Plug (IP65)
  • Install in any orientation (upright if possible)
Model Port Size BSP Orifice ømm CV Pressure (BAR) Repair Kit Coil Specifications
S55-2-3-*V 1/4" 3 0.26 0 to 10 RK-S55D-2-V SC-C1
14.4 Watts
15 Volt Amps
Class H Insulation
S55-2-4-*V 1/4" 4 0.58 0 to 7 RK-S55D-2-V
S55-2-5-*V 1/4" 5 0.64 0 to 5 RK-S55D-2-V
S55-3-4-*V 3/8" 4 0.58 0 to 10 RK-S55D-4-V SC-C2
24 Watts
24.4 Volt Amps
Class H Insulation
S55-3-6-*V 3/8" 6 0.79 0 to 5 RK-S55D-4-V
S55-3-8-*V 3/8" 8 0.97 0 to 2 RK-S55D-4-V
S55-4-6-*V 1/2" 6 0.79 0 to 5 RK-S55D-4-V
S55-4-8-*V 1/2" 8 0.97 0 to 2 RK-S55D-4-V

*Voltages available; 12vDC, 24vDC, 24vAC, 110vAC, 240vAC, 415vAC

For Installation and Maintenance instructions please click here or find in our References section under Valve Installation and Maintenance for Solenoid Valves.

316 Stainless Steel Normally Closed Direct Acting Solenoid Valve

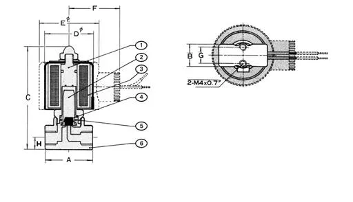
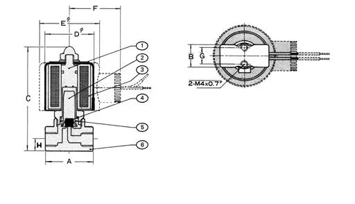
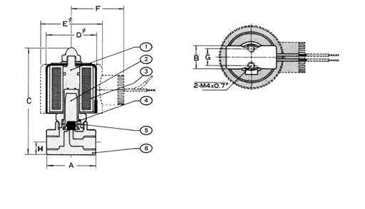
Model G (BSP) A B C H Weight Kg
S55-2-3-*V 1/4" 41 19 86.5 10.5 0.45
S55-2-4-*V 1/4" 41 19 86.5 10.5 0.45
S55-2-5-*V 1/4" 41 19 86.5 10.5 0.45
S55-3-4-*V 3/8" 50 25 91 11.7 0.75
S55-3-6-*V 3/8" 50 25 91 11.7 0.75
S55-3-8-*V 3/8" 50 25 91 11.7 0.75
S55-4-6-*V 1/2" 50 27 91 13 0.80
S55-4-8-*V 1/2" 50 27 91 13 0.80

All dimensions in mm unless otherwise shown.

316 Stainless Steel Normally Closed Direct Acting Solenoid Valve

Item Article Material
1 Operator Stainless Steel
2 Armature Stainless Steel
3 Coil Brass Wire
4 Seat Viton
5 Spring 316 Stainless Steel
6 Body 316 Stainless Steel

Size 1/4" to 1/2" BSP
Function Normally Closed (power to open)
Valve Operation Direct Acting
Body 316 Stainless Steel
Seat FKM
Pressure Range 0 to 10 BAR
Media Petrochemical

DATA SHEET

Others Also Bought

.
.