Features:
Size 1/2" to 2" BSP
Function Normally Open (power to close)
Valve Operation Servo Assisted
Body 316 Stainless Steel
Seat EPDM
Pressure Range 0.3 to 16 BAR
Media Potable Water
SKU: W36
From $165.00
Inc GST

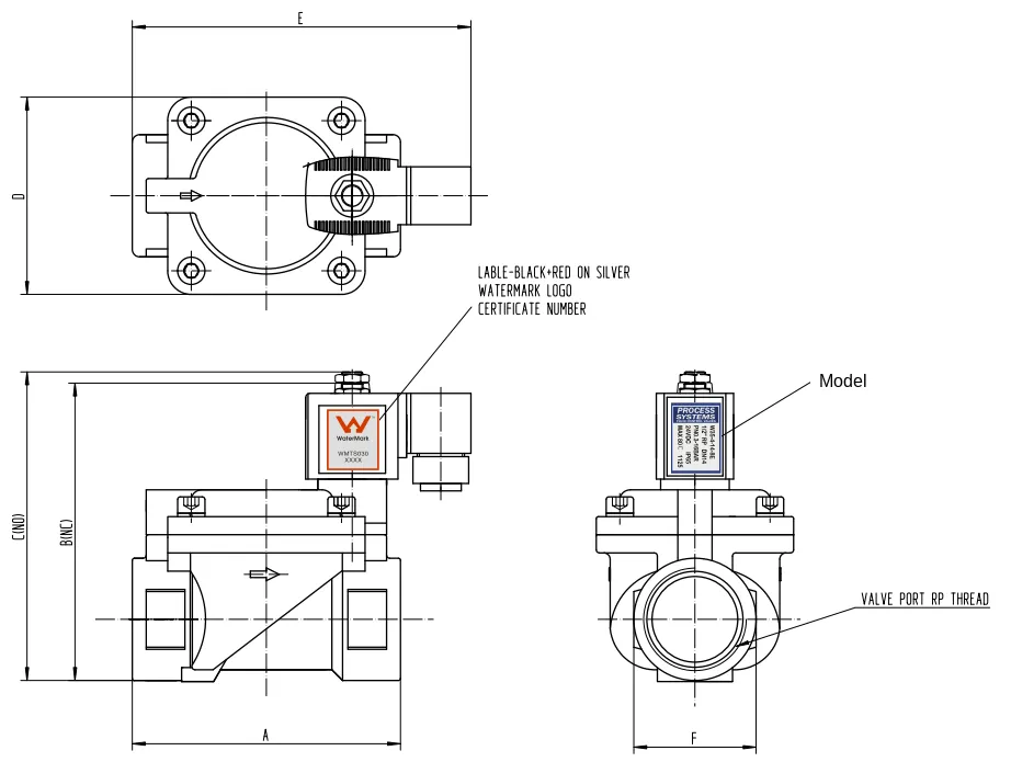
| Moddel | Port Size (Rp) | Orrifice | A | C | D | E | F |
|---|---|---|---|---|---|---|---|
| W36-4-14-*E | 1/2 | 14 | 65 | 107.5 | 40 | 104 | 27 |
| W36-5-20-*E | 3/4 | 20 | 92 | 125 | 60 | 129 | 40 |
| W36-6-25-*E | 1 | 25 | 92 | 125 | 60 | 129 | 40 |
| W36-7-40-*E | 1 ¼ | 40 | 125 | 147.5 | 92 | 158 | 57 |
| W36-8-40-*E | 1 ½ | 40 | 125 | 147.5 | 92 | 158 | 57 |
| W36-9-50-*E | 2 | 50 | 150 | 165 | 108.5 | 179 | 70 |
All dimensions in mm unless shown otherwise.
Size 1/2" to 2" BSP
Function Normally Open (power to close)
Valve Operation Servo Assisted
Body 316 Stainless Steel
Seat EPDM
Pressure Range 0.3 to 16 BAR
Media Potable Water
Size 1/2" to 2" BSP
Function Normally Open (power to close)
Valve Operation Servo Assisted
Body 316 Stainless Steel
Seat EPDM
Pressure Range 0.3 to 16 BAR
Media Potable Water


| Moddel | Port Size (Rp) | Orrifice | A | C | D | E | F |
|---|---|---|---|---|---|---|---|
| W36-4-14-*E | 1/2 | 14 | 65 | 107.5 | 40 | 104 | 27 |
| W36-5-20-*E | 3/4 | 20 | 92 | 125 | 60 | 129 | 40 |
| W36-6-25-*E | 1 | 25 | 92 | 125 | 60 | 129 | 40 |
| W36-7-40-*E | 1 ¼ | 40 | 125 | 147.5 | 92 | 158 | 57 |
| W36-8-40-*E | 1 ½ | 40 | 125 | 147.5 | 92 | 158 | 57 |
| W36-9-50-*E | 2 | 50 | 150 | 165 | 108.5 | 179 | 70 |
All dimensions in mm unless shown otherwise.
These products are intended for use in industrial applications only. Do not use these products where pressures and temperatures can exceed those listed under ‘Technical Data’ and in our individual ‘Series’ data sheets. Before using these products with fluids other than these specified, for non-industrial applications, life-support systems, or other applications not within published specifications, consult PCIPro Through misuse, age, or malfunction, components used in industrial valve applications can fail in various modes. The system designer is warned to consider the failure modes of all component parts used in industrial valve applications and to provide adequate safeguards to prevent personal injury or damage to equipment in the event of such failure. System designers must provide a warning to the user in the system instructional manual if protection against a failure mode cannot be adequately provided. System designers and end users are cautioned to review specific warnings or specifications found in instruction sheets or labels packed or attached and shipped with the products. Our policy is one of continuous research and development. We therefore reserve the right to amend without notice the specifications given in this document or our individual ‘Series’ data sheets.
All valve series and other products manufactured or distributed by PCIPro are warranted by PCIPro to be free of defects in material and workmanship for a period of 1 year from the date of purchase or as the manufacturer warrants. PCIPro obligation under this warranty is limited to repair or replacement of the defec1ive product or refund of the purchase price paid solely at the discretion of PCIPro and provided such defective product is returned to PCIPro freight prepaid and upon examination by PCIPro such product is found defective. This warranty shall be void in the event that the product has been subject to misuse, misapplication, improper maintenance, modification or tampering. This warranty is expressed in lieu of all other warranties, expressed or implied from PCIPro representatives or employees. PCIPro reserves the right to change Valve and Brochure specifications without notice.
Manufacturer's Warranty
You Can Trust
Despatch
Shipping Australia Wide
Welcome to our website. If you continue to browse and use this website, you are agreeing to comply with and be bound by the following terms and conditions of use, which together with our privacy policy govern PCI’s relationship with you in relation to this website. If you disagree with any part of these terms and conditions, please do not use our website.
The term ‘PCI’ or ‘us’ or ‘we’ refers to the owner of the website whose registered office is 7 Holmes Street, NORTH GEELONG, VIC, 3215, AU. Our ABN is 95662381375. The term ‘you’ refers to the user or viewer of our website.
The use of this website is subject to the following terms of use:
This privacy policy sets out how we uses and protects any information that you give us when you use this website.
We are committed to ensuring that your privacy is protected. Should we ask you to provide certain information by which you can be identified when using this website, then you can be assured that it will only be used in accordance with this privacy statement.
We may change this policy from time to time by updating this page. You should check this page from time to time to ensure that you are happy with any changes.
What we collect
We may collect the following information:
What we do with the information we gather
We require this information to understand your needs and provide you with a better service, and in particular for the following reasons:
Security
We are committed to ensuring that your information is secure. In order to prevent unauthorised access or disclosure, we have put in place suitable physical, electronic and managerial procedures to safeguard and secure the information we collect online.
We take all reasonable steps to keep secure any information which we hold about you. Personal information may be stored both electronically on our computer system, and in hard-copy form. Firewalls, 2048 Bit v3 SSL encryption, passwords, anti-virus software and email filters act to protect all our electronic information.
We do not store credit card information, we securely submit credit card information to our bank for processing.
How we use cookies
A cookie is a small file which asks permission to be placed on your computer's hard drive. Once you agree, the file is added and the cookie helps analyse web traffic or lets you know when you visit a particular site. Cookies allow web applications to respond to you as an individual. The web application can tailor its operations to your needs, likes and dislikes by gathering and remembering information about your preferences.
We use traffic log cookies to identify which pages are being used. This helps us analyse data about webpage traffic and improve our website in order to tailor it to customer needs. We only use this information for statistical analysis purposes and then the data is removed from the system.
Overall, cookies help us provide you with a better website by enabling us to monitor which pages you find useful and which you do not. A cookie in no way gives us access to your computer or any information about you, other than the data you choose to share with us.
You can choose to accept or decline cookies. Most web browsers automatically accept cookies, but you can usually modify your browser setting to decline cookies if you prefer. This may prevent you from taking full advantage of the website.
Links to other websites
Our website may contain links to other websites of interest. However, once you have used these links to leave our site, you should note that we do not have any control over that other website. Therefore, we cannot be responsible for the protection and privacy of any information which you provide whilst visiting such sites and such sites are not governed by this privacy statement. You should exercise caution and look at the privacy statement applicable to the website in question.
Controlling your personal information
You may choose to restrict the collection or use of your personal information in the following ways:
We will not sell, distribute or lease your personal information to third parties unless we have your permission or are required by law to do so. We may use your personal information to send you promotional information about third parties which we think you may find interesting if you tell us that you wish this to happen.
If you believe that any information we are holding on you is incorrect or incomplete, please write to or email us as soon as possible at the above address. We will promptly correct any information found to be incorrect.